HL系列電動執行器用于控制0 ~ 300旋轉的閥門及其他同類產品,如蝶閥、球閥、風門、旋塞閥、百葉閥等,它以AC415V、380V、240V、220V、110V、DC12V、24V、220V交流電源為驅動電源,以4-20mA電流信號或0-10V DC電壓信號為控制信號,可使閥門運動到所需位置,實現其自動化控制,**輸出扭矩達6000N-m,可以廣泛應用于石油、化工、電力、冶金、制藥、造紙、能源、水處理、船舶白紡織、食品加工、樓宇自動化等領域。同時更具有體積小、重量輕、外形精美、結構獨特、緊湊、起閉迅速、易于安裝、操力矩小,操作方便,數顯閥位、無須維護及使用安全方便等諸多優點。
產品優勢
閥門電動裝置設計獨特、外秀內剛,運轉壽命超出同類產品標準的十倍??芍^鉆石般耐久,以一當十,回轉型閥門電動裝置系列產品以卓越的性能,無可爭辯的優勢,當令您刮目相看!
1、獨立接線腔,防止誤操作,產品更穩定。
2、功能強勁:智能型、比例式,開關式。各類信號輸出型應有盡有;
3、美觀大方;鋁合金壓鑄外殼.精細流暢,且可減少電磁干擾;
4、精密耐磨;蝸輪輸出軸一體化設計避免了鍵連接的間隙、傳動隨度高、采用特殊銅合金鍛造、強度高、耐磨性好;
5、安全保證:通過AC1800V耐壓檢測,F級絕緣電機,安全有保障;6.配套簡單;采用單相電源、外接線路簡單、也可做三相電源,直流電源;
7、使用方便;免加油、免點檢.防水筋銹、任意角度安裝;
8、保護裝置:雙重限位、過熱保護、過載保護;
9、多種速度:全行程時間9秒、13秒、15秒.30秒,50秒、100秒,150秒(出廠前已設定);
10、防腐防銹;整機支架。聯軸器、螺釘均采用不銹鋼;
11、智能數控:智能控制模塊高度集成于電動裝置本體中,無需外接定位器,數字設定、高度精確、自我診斷、一機多能。
電機
由于閥門的工作特點,要求執行器在閥門的開,關和中間任意位置都具有滿負荷啟動能力,這就要求執行器的電機具有較高的啟動力矩。同時由于流量(開度)調節需要,要求電機還必須有較小的轉動慣性。HL系列電動執行機構電機針對這些要求,采用了特殊設計。
當執行機構被堵轉時,電機的溫度將會迅速上升。當電機溫度上開至125℃時,埋置于電機繞組中的PTC過熱保護器將會切斷電路,從而保護電機和控制系統。當電機溫度下降至90-105C時,電路將會恢復接通.

電氣和機械限位功能
電氣行程限位功能:當執行機構到達全開、全關極限位置或者設定的中間位置時,內置的電氣限位開關將會切斷電路而保護執行機構。
輸出軸機械限位功能:當電氣行程限位功能失效時,執行機構輸出軸將會被機械限位裝置鎖住,從而保護閥門免受損害。
圖示為電氣限位與機械限位的位置關系。

加熱除濕功能(可選)
HL系列執行機構電氣腔可配置電子加熱元件,用于在晝夜溫差較大且比較潮濕的場所使用,防止因凝露而造成電器元件的受損。加熱器為連續工作制,所以為帶電狀態,即使執行機構不運行時也為帶電。
技術參數
性能 | 型號 | HL-400 | |||
電源 | AC110V | AC220V | AC380V | AC415V | |
電機功率 | 200W | ||||
額定電流 | 4.1A | 2.1A | 0.9A | 1.08A | |
標準時間/扭矩力 | 100S/4000Nm、50S/3000Nm | ||||
電路控制 | B、S、R、H、A、K、D、T、Z、TM | ||||
轉動角度 | 0~90° | ||||
重量 | 31kg(標準型) | ||||
耐壓等級 | 500VAC/1分鐘(DC24V/AC24V) | ||||
絕緣電阻 | 20MΩ/500VDC(DC24V/AC24V) | ||||
防護等級 | IP-67 | ||||
環境溫度 | -25℃~60℃(其它溫度可定制) | ||||
安裝角度 | 任意角度 | ||||
箱體材質 | 鋁合金壓鑄件 | ||||
選裝功能 | 加熱除濕器、過熱故障信號、手輪操作 | ||||
產品顏色 | 灰白色(可定制其它顏色) | ||||
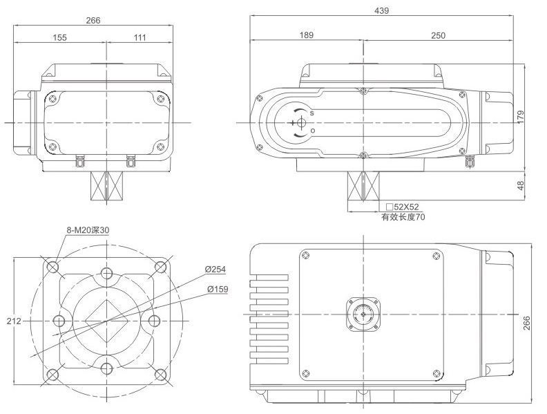
外形尺寸
